
在現代社會,電力已經成為人類生產生活不可或缺的部分,如果缺乏電力,正常的生活將難以運轉。對於工業領域來說,缺乏電力,即便是很短的幾秒鍾,也會造成過程工藝的失敗和經濟的損失。這就要求發電廠做好充足的預防措施,當電力係統出現故障時,能立刻恢複正常的供電,盡量降低因斷電造成的經濟損失。
隨著儲能技術的不斷發展,已逐步成為眾多工廠乃至電廠解決電力供應問題的優選方案。
位於俄羅斯的一個大型發電廠常年受到主電源掉電或晃電的困擾,一旦出現故障,即便隻是幾秒鍾,都會造成經濟損失。因此需要一套即使在很短時間內的電源電壓下降,電廠可以不中斷的正常運行的解決方案。
俄羅斯IC-ART公司在接到這一項目後,選擇了配置丹佛斯VACON® NXP DC/DC產品的直流備用電源係統,可以在各種情況下確保供電的可靠性及靈活性。

2台DC/DC變流器
全力保障係統穩定供電
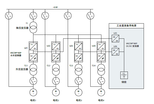
通過采用低壓水冷變頻器並結合“降壓-升壓”方案,來驅動中壓電機,IC-ART 和丹佛斯共同開發的直流備用電源係統來保證主電晃電或故障時的可靠持續運行。

靈活便捷
滿足用戶實際需求
整套方案采用了很少的元器件,通過簡單的連接便集成了丹佛斯的應用功能,保證了非常靈活便捷的調試和服務流程。在本次項目中,IC-ART 提供了一套十分靈活的工業直流備用電源係統,也就是不間斷電機傳動係統 (UMDs)。
這套係統能夠根據用戶實際需求靈活應用,具備以下特點:
01 不同的拓撲
02 不同類型的變頻器
03 不同的儲能拓撲結構
04 不同的布局
05 如果需要,用到既有的電池